6.3.1 廢水處理
6.3.1廢水處理
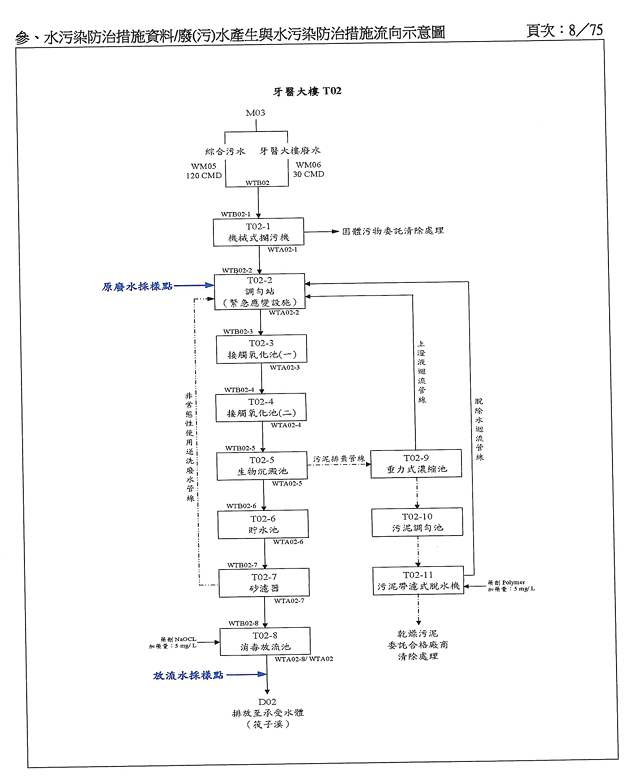
中山醫學大學之廢水分為一般廢水與實驗室之廢液兩種,處理程序為一般廢水處理均統一排放至臺中市污水下水道系統(如污水管線資料),集中由台中市政府汙水處理廠進行汙水處理;實驗室廢液亦由政府核可之處理廠商進行廢液之處理。本校共5棟建築物,其中2棟大樓(誠愛樓、正心樓)廢水主要為生活污水,另3棟大樓(實驗大樓、張不大樓、研究大樓)的實驗室所產生化學廢液,平均2-3個月請廠商實施清運及處理,可確保校內產生之廢水不會對環境造成危害。
一、廢水處理流程圖








二、中山醫學大學實驗室廢液及廢棄化學品處理流程
1.實驗室清運暫貯時間與地點
每月一、三週(下午3:00)實驗室廢液自行分類暫貯→每月一、三週早上至環安衛中心(誠愛樓1樓安管中心)填寫清運廢液量、索取廢液分類貼紙→每月一、三週下午3:00進暫貯場,暫貯場地點位於風雨球場旁空地,以貨櫃屋方式進行貯放。
|
|
|
|
圖1 無機廢液貯放區 |
圖2有機廢液貯放區 |
|
|
|
|
圖3 廢液貯放區內部圖 |
圖4 廢棄空瓶貯放區 |
2.實驗室有害事業廢棄物清運及處理頻率
校方委外廠商清運時間頻率為2~3 個月/次,委外清運由豪宇環保科技有限公司及處理由成大資源中心。
![]() |
|
|
|
瀏覽數:







